The voltage transformer is an epoxy resin vacuum casting fully enclosed structure, suitable for rated frequency 50HZ, rated voltage 35KV and below outdoor equipment power system, for voltage, electric energy measurement and relay protection.
General:
This type of voltage transformer is epoxy resin vacuum casting fully enclosed structure, suitable for the rated frequency 50HZ, rated voltage 35KV and below outdoor equipment power system, for voltage, electric energy measurement and relay protection.
Key Feature
This type of voltage transformer is made of outdoor special epoxy resin with arc resistance, ultraviolet resistance and aging resistance.
The fully enclosed pillar structure is resistant to pollution and moisture.
The transformer does not need special maintenance, only need to clean the surface dirt regularly, because the transformer is fully enclosed castable insulation, small size, light weight, suitable for any position, any direction installation.
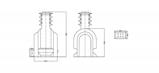
The transformer secondary outlet terminal is sealed with a metal protective cover.
Technical Data
The performance of products is conformed to IEC61869-1:2007, IEC61869-2:2012 commission requirements
Rated insulation level: 12/42/75kV,7.2/30/60
Power factor of load: COSΦ=0.8
Rated frequency: 50Hz, 60Hz
Rated secondary current: 5A or 1A
Type | Rated voltage ratio | Accuracy class and burden(VA) | Limit output | Rated insulating level(kV) | ||||
0.2 | 0.5 | 0.2/0.5 | 0.5/0.5 | 3P 6P | ||||
JDZXW-35 |
35000/√3 100/√3 100/3 | 40 | 80 | - | - | 100 | 600 | 40.5/95/200 |
35000/√3 100/√3 100/√3 100/3 | - | - | 20/50 | 30/30 | 100 | 300 | ||
Drawing

Contact: Emily
Phone: +86-13968769121
E-mail: sales@cnbdn.com
Whatsapp:+86-13968769121
Add: Zhejiang Province, China Wenzhou, Yueqing